Оборудование для чистых помещений
Проходной шлюз для чистых помещений AS1400 (KLC)
 |
Проходные шлюзы необходимы для прохода людей или проноса материалов в чистое помещение, они минимизируют вероятность загрязнения. При проходе персонала через шлюз в чистое помещение, пыль сдувается мощным потоком чистого воздуха. Сильный воздушный поток - 25 м/с - гарантирует эффективность. Отработанный воздух удаляется снизу, фильтруется и рециркулирует в шлюз.
Мы можем изготовить проходные шлюзы для чистых помещений под конкретые требования заказчика. |
 |
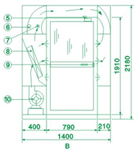
Иллюстрация:
- Контрольная панель
- форсунка
- ИК индикатор
- префильтр
- блок закрывания двери
- индикатор электропитания
- индикатор вентилятора
- HEPA фильтр
- электронный замок
- вентилятор
|
|
Модель
|
AS1400-P1
|
AS1400-P2
|
AS1400-P3
|
|
Внешние размеры (ДхШхВ), мм
|
1400*1000*2180
|
1400*1000*2180
|
1400*1000*2180
|
|
Внутреннее пространство (ДхШхВ), мм
|
790*930*1910
|
790*930*1910
|
790*930*1910
|
|
Кол-во проходящих чел. за цикл
|
1-2 чел
|
2-4 чел
|
3-6 чел
|
|
Электропитание вентилятора
|
380V/50Hz/1100W(1 вентилятор)
|
380V/50Hz/1100W(2 вентилятора)
|
380V/50Hz/1100W(3 вентилятора)
|
|
Производительность вентилятора, м3/ч
|
1300
|
1300
|
1300
|
|
Скорость вентилятора, об/мин
|
2800
|
2800
|
2800
|
|
Число форсунок
|
12
|
24
|
36
|
|
Скорость воздушного потока, м/с
|
>=25-30
|
>=25-30
|
>=25-30
|
|
Уровень шума (dB)
|
<62
|
<62
|
<62
|
|
HEPA фильтр
|
размер, мм
|
610*610*120
|
610*610*120
|
610*610*120
|
|
эффективность
|
99.99% до 0.3 мкм
|
99.99% до 0.3 мкм
|
99.99% до 0.3 мкм
|
|
поток воздуха, м3/ч
|
1000
|
1000
|
1000
|
|
начальное сопротивление (Pa)
|
<220
|
<220
|
<220
|
|
Префильтр
|
размер, мм
|
775*380*17
|
775*380*17
|
775*380*17
|
|
эффективность
|
G3
|
G3
|
G3
|
|
эффективность
|
75%@5µm
|
75%@5µm
|
75%@5µm
|
|
начальное сопротивление (Pa)
|
<30
|
<30
|
<30
|
|
Параметр
|
электропитание
|
380В/50Гц
|
380В/50Гц
|
380В/50Гц
|
|
Полезная мощность, кВт
|
1,5
|
2,5
|
3,5
|
Проходной шлюз для чистых помещений, AS1400, шлюз для чистых помещений, UNIX Instruments, Оборудование для чистых помещений, материалы для чистых помещений, чистые помещения, чистое помещение, чистая комната, Проходной шлюз для чистых помещений, AS1400, шлюз для чистых помещений, UNIX Instruments, Оборудование для чистых помещений, материалы для чистых помещений, чистые помещения, чистое помещение, чистая комната,Проходной шлюз для чистых помещений, AS1400, шлюз для чистых помещений, UNIX Instruments, Оборудование для чистых помещений, материалы для чистых помещений, чистые помещения, чистое помещение, чистая комната